
DELTA VFD5A5ME43AFNAA – ME300 Serisi Hız Kontrol Cihazı | 2,2kW, 3 Faz Giriş & 3 Faz Çıkış
🔹 Ürün Açıklaması
Delta VFD5A5ME43AFNAA, ME300 serisinin güçlü ve kompakt hız kontrol cihazlarından biridir. 2,2kW güç kapasitesine sahip bu model, 3 faz giriş ve 3 faz çıkış desteğiyle motor hız kontrolünü hassas, verimli ve güvenilir bir şekilde gerçekleştirir. Delta'nın gelişmiş vektör kontrol algoritması sayesinde yüksek tork ve kararlı hız yönetimi sunarak CNC makineleri, konveyör sistemleri, fanlar, pompalar ve üretim hatları gibi birçok endüstriyel uygulamada üstün performans gösterir.
Bu model, entegre frenleme ünitesi, enerji verimliliği sağlayan akıllı algoritmalar ve kullanıcı dostu programlama arayüzüyle modern endüstriyel süreçlerde daha fazla kontrol ve verimlilik sağlar. Kompakt tasarımı ve DIN ray montaj uyumluluğu sayesinde kolay kurulum imkanı sunarak kontrol panolarında minimum yer kaplar.
Modbus haberleşme desteği, düşük harmonik bozulma, geniş voltaj toleransı ve güçlü koruma özellikleriyle Delta VFD5A5ME43AFNAA, endüstriyel otomasyon süreçlerinde en çok tercih edilen hız kontrol çözümlerinden biridir.
✅ Başlıca Özellikler
- Güç Kapasitesi: 2,2kW (3HP)
- Besleme Voltajı: 3 Faz 400V AC Giriş / 3 Faz Çıkış
- Vektör Kontrol Teknolojisi (Yüksek Tork & Hassas Hız Yönetimi)
- Dahili Frenleme Ünitesi (Hızlı Duruş & Enerji Geri Kazanımı)
- Kolay Kullanım & Kompakt Tasarım
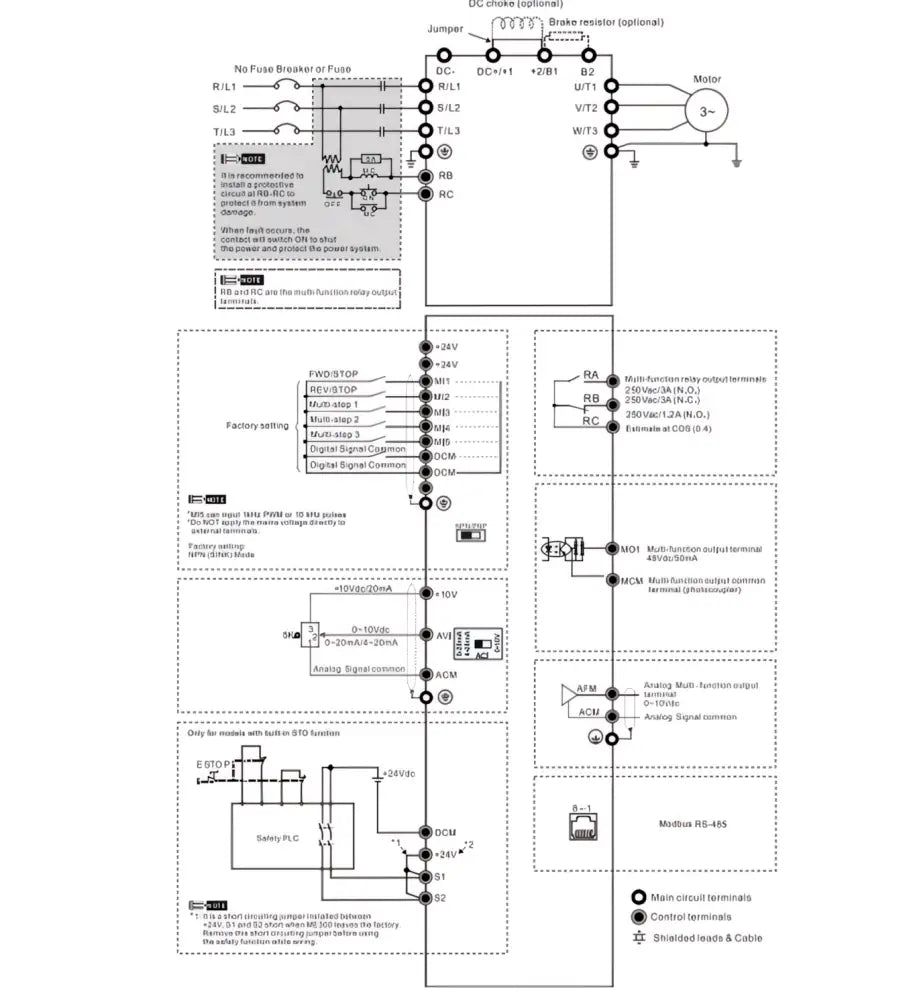
- Modbus Haberleşme Desteği (Kolay Entegrasyon)
- Düşük Harmonik Bozulma & Yüksek Enerji Verimliliği
- Sessiz & Stabil Çalışma
- Aşırı Akım, Aşırı Voltaj & Kısa Devre Koruması
🎯 Neden DELTA VFD5A5ME43AFNAA Tercih Edilmeli?
✅ Güçlü & Hassas Motor Kontrolü
Gelişmiş vektör kontrol algoritması, yüksek tork ve stabil hız yönetimi sunarak motorların verimli çalışmasını sağlar.
✅ Dahili Frenleme Ünitesi ile Üstün Performans
Entegre frenleme ünitesi, hızlı duruş ve kalkış imkanı sunarak enerji geri kazanımı yapar, yüksek hassasiyetli uygulamalarda maksimum kontrol sağlar.
✅ Modbus Haberleşme ile Kolay Entegrasyon
Modbus haberleşme desteği sayesinde otomasyon sistemleriyle hızlı ve güvenilir entegrasyon sunar.
✅ Enerji Verimliliği & Düşük İşletme Maliyetleri
Delta’nın akıllı motor sürüş algoritmaları, gereksiz enerji tüketimini önleyerek uzun vadede elektrik maliyetlerini düşürür.
✅ Kolay Montaj & Kullanıcı Dostu Arayüz
Kompakt yapısı ve hızlı kurulum özelliği, kontrol panolarında yer tasarrufu sağlarken, sezgisel menüsü kolay kullanım sunar.
✅ Geniş Endüstriyel Kullanım Alanı
- Konveyör Bant Sistemleri
- Fan & Pompa Kontrolleri
- CNC & Takım Tezgahları
- Kompresörler
- Gıda, Plastik & Tekstil Makinaları
- Endüstriyel Üretim Hatları
📌 📷 Fotoğraflar Temsilidir.
Delta VFD5A5ME43AFNAA ile motorlarınızı daha verimli, güvenli ve hassas bir şekilde kontrol edin! 🚀 Hemen sipariş verin, işletmenizde enerji tasarrufu ve üstün performans sağlayın! 🔥