
DELTA VFD075C43A-21 - C2000 PLUS 7,5kW Hız Kontrol Cihazı | Yüksek Performanslı AC Sürücü
🔍 Güçlü, Hassas ve Enerji Verimli Motor Kontrolü!
DELTA VFD075C43A-21, C2000 PLUS serisinin 7,5kW gücündeki yüksek performanslı hız kontrol cihazıdır. Endüstriyel otomasyon sistemlerinde hassas hız ve tork kontrolü gerektiren uygulamalar için geliştirilmiştir. Gelişmiş vektör kontrol teknolojisi, geniş haberleşme desteği ve enerji tasarrufu sağlayan sürüş algoritmaları ile üretim süreçlerinde verimliliği artırarak maksimum performans sağlar.
Bu model, pompalar, fanlar, konveyör sistemleri, kompresörler, CNC makineleri ve diğer motor kontrollü sistemlerde yüksek hassasiyetli kontrol sağlayarak işletmelere daha düşük maliyet, daha yüksek verimlilik ve uzun ömürlü kullanım sunar.
🛠️ Üstün Özellikler ve Teknik Detaylar
🔹 7,5kW Güç Kapasitesi
- Endüstriyel motorların stabil ve verimli çalışmasını sağlar.
- Zorlu üretim süreçlerinde uzun süreli kullanım için tasarlanmıştır.
🔹 Gelişmiş Vektör Kontrol Teknolojisi
- Hassas hız ve tork kontrolü sayesinde daha stabil ve güvenilir motor performansı sunar.
- Düşük devirlerde bile yüksek tork üreterek üretim verimliliğini artırır.
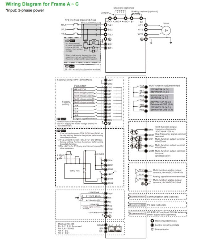
🔹 Çoklu Haberleşme Desteği
- Ethernet/IP, CANopen, Modbus, Profibus-DP gibi yaygın haberleşme protokollerini destekler.
- Mevcut endüstriyel otomasyon sistemlerine kolay entegrasyon sağlar.
🔹 Sensörlü ve Sensörsüz Çalışma Desteği
- Farklı motor tipleriyle uyumlu olup, hem kapalı çevrim (sensörlü) hem de açık çevrim (sensörsüz) çalışma imkanı sunar.
🔹 Yüksek Enerji Verimliliği
- Optimize edilmiş motor sürme algoritmaları ile gereksiz enerji tüketimini önler ve işletme maliyetlerini düşürür.
🔹 Kolay Kurulum ve Kullanıcı Dostu Arayüz
- Gelişmiş LCD ekranı sayesinde tüm ayarları kolayca yapılandırabilirsiniz.
- Hızlı devreye alma özelliği ile zamandan tasarruf sağlar.
🔹 Dayanıklı ve Uzun Ömürlü Tasarım
- Ağır sanayi ortamlarında kullanılmak üzere üretilmiş sağlam gövde ve üstün malzeme kalitesi.
- Toz, nem ve sıcaklık değişimlerine karşı dayanıklı yapı.
📌 Neden DELTA VFD075C43A-21 Hız Kontrol Cihazını Tercih Etmelisiniz?
✅ Daha Verimli Üretim ve Düşük Enerji Tüketimi
Enerji tasarrufu sağlayan motor kontrol teknolojisi ile işletme maliyetlerinizi düşürür.
✅ Hassas ve Stabil Motor Kontrolü
Düşük hızlarda bile maksimum tork üretimi ve hassas hız ayarı sunarak üretim süreçlerini iyileştirir.
✅ Geniş Kullanım Alanı
- Pompalar ve fan sistemleri
- Konveyör bantları ve otomatik üretim hatları
- CNC makineleri ve işleme merkezleri
- Kompresörler ve vinç sistemleri
✅ Endüstri 4.0 Uyumlu
Modern haberleşme protokolleri sayesinde fabrikalar ve üretim hatları için akıllı otomasyon çözümleri sunar.
✅ Kolay Entegrasyon ve Kullanım
Hızlı devreye alma özelliği ve kullanıcı dostu menü yapısı ile zahmetsiz kurulum sağlar.
💡 DELTA VFD075C43A-21, hassasiyet, güçlü performans ve verimlilik arayanlar için ideal bir hız kontrol çözümüdür!
📌 📸 Fotoğraflar Temsilidir.
📦 Hemen sipariş verin, üretim süreçlerinizde maksimum verimlilik ve hassasiyeti deneyimleyin! 🚀