
Delta VFD022E43A – VFD-E Serisi 2,2 kW Hız Kontrol Cihazı | Kompakt & Güçlü Frekans İnvertörü
Delta VFD022E43A, endüstriyel motor hız kontrolü için tasarlanmış VFD-E serisi 2,2 kW kapasiteli frekans invertörüdür. Güçlü performansı, kompakt tasarımı ve yüksek enerji verimliliği ile pompa, fan, taşıma sistemleri ve makine otomasyonu gibi geniş uygulama alanlarında kullanılır.
🛠 Teknik Özellikler
✅ Güç Kapasitesi: 2,2 kW (3HP) – Orta ölçekli motor kontrolü için ideal
✅ Besleme Gerilimi: 3 Faz 380-480V AC – Yüksek voltajlı sistemlerle uyumlu
✅ Hız Aralığı: 1 – 400 Hz – Geniş frekans aralığı ile hassas hız kontrolü
✅ Yerleşik PLC Fonksiyonu – Esnek programlanabilir kontrol yetenekleri
✅ PID Kontrolü ile Akıllı Yönetim – Pompa ve fan uygulamalarında verimli enerji kullanımı
✅ Dahili Fren Ünitesi – Hızlı duruş ve yüksek performanslı yük yönetimi
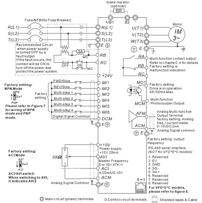
✅ RS-485 Haberleşme Desteği (Modbus RTU) – Kolay entegrasyon ve uzaktan kontrol
✅ IP20 Koruma Sınıfı – Endüstriyel ortamlara uygun dayanıklı yapı
📌 Kullanım Alanları
🔹 Pompa & Fan Sistemleri – PID kontrolü ile verimli enerji tüketimi
🔹 Konveyör & Taşıma Sistemleri – Hassas hız ayarı ve motor kontrolü
🔹 CNC ve Makine Otomasyonu – Dinamik motor yönetimi için güçlü sürüş kapasitesi
🔹 Tekstil, Gıda & Paketleme Endüstrisi – Hız ve tork kontrolü gerektiren üretim hatları
🔹 Enerji Yönetimi & Fabrika Otomasyonu – Yüksek verimlilikle enerji tasarrufu sağlama
🚀 Neden Delta VFD022E43A?
✔ Güçlü Performans & Hassas Hız Kontrolü – Motorun verimli çalışmasını sağlar
✔ Dahili Fren Ünitesi & PLC Fonksiyonu – Ekstra kontrol cihazlarına ihtiyaç duymadan işlem yapar
✔ Yüksek Enerji Verimliliği – Enerji tasarrufu sağlayarak işletme maliyetlerini düşürür
✔ RS-485 Haberleşme & Modbus RTU Desteği – Otomasyon sistemleriyle kolay entegrasyon
✔ Dayanıklı & Kompakt Tasarım – Az yer kaplayan, endüstriyel kullanıma uygun yapı
Delta VFD022E43A 2,2 kW hız kontrol cihazı, verimli, güvenilir ve kompakt tasarımıyla endüstriyel uygulamalarda yüksek performans sunar. Gelişmiş kontrol fonksiyonları ve esnek haberleşme seçenekleriyle üretim süreçlerinizi optimize edin!
📌 Şimdi sipariş verin ve Delta VFD022E43A ile motor hız kontrolünüzü en üst seviyeye çıkarın! ⚙️⚡
📌 Fotoğraflar temsilidir.