
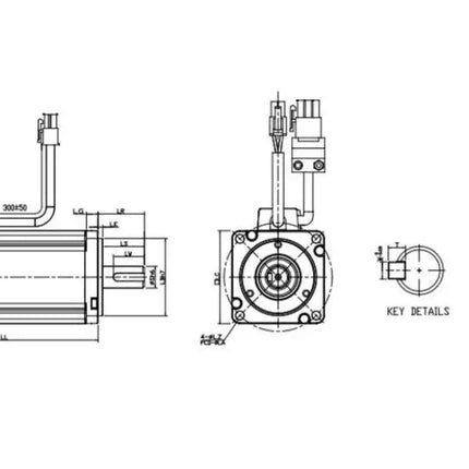
DELTA ECMA-C20807SS – 750W Frenli Servo Motor (2,39Nm, 3000rpm, Artımsal Enkoderli)
Hassas Hareket Kontrolü İçin Güçlü ve Güvenilir Çözüm!
Delta ECMA-C20807SS, yüksek hassasiyet gerektiren hareket kontrol uygulamaları için tasarlanmış 750W gücünde frenli bir servo motordur. 2,39Nm tork kapasitesi, 3000 rpm hız ve artımsal enkoder ile hızlı, stabil ve güvenilir bir performans sunar. Kompakt yapısı ve yüksek dinamik tepki süresi sayesinde, CNC makineleri, robotik sistemler, otomasyon hatları ve hassas üretim süreçleri için mükemmel bir seçimdir.
Öne Çıkan Özellikler:
🔹 750W Güç ve 2,39Nm Tork
Endüstriyel uygulamalarda yüksek verimlilik ve güçlü tork gerektiren sistemlerde kararlı ve stabil bir hareket sağlar.
🔹 Maksimum 3000rpm Dönüş Hızı
Hassas hız kontrolü ve dinamik performansı sayesinde, yüksek hız gerektiren uygulamalarda stabil ve titreşimsiz çalışma sunar.
🔹 Artımsal Enkoder (Incremental Encoder)
Doğru pozisyonlama ve hassas hareket kontrolü sağlar. Yüksek çözünürlüklü enkoderi ile geri besleme hassasiyeti artırılarak hassas işlem gerektiren uygulamalarda mükemmel sonuçlar elde edilir.
🔹 Frenli Yapı (Holding Brake)
Güvenli duruş ve konum sabitleme için entegre fren sistemi içerir. Bu sayede yüksek hassasiyet gerektiren uygulamalarda güvenli pozisyonlama sağlar ve motorun istemsiz hareketlerini önler.
🔹 Yüksek Dinamik Yanıt & Hızlı Tepki Süresi
Delta ECMA-C20807SS, hızlı ivmelenme ve anlık duruş gerektiren sistemlerde yüksek performans sunar. Robotik ve CNC makineleri gibi hassas konumlama gerektiren alanlarda mükemmel kontrol sağlar.
🔹 Dayanıklı ve Uzun Ömürlü Tasarım
Delta'nın ileri mühendislik teknolojisi ile üretilen bu servo motor, ağır sanayi koşullarında bile uzun ömürlü ve kararlı bir performans sunar.
🔹 Kolay Entegrasyon & Uyumluluk
Delta'nın ASD-A2 serisi sürücüleri başta olmak üzere birçok servo sürücü ile uyumludur. Mevcut otomasyon sisteminize kolayca entegre edilebilir.
Neden DELTA ECMA-C20807SS Almalıyım?
✅ Yüksek hız ve hassasiyet gerektiren uygulamalar için mükemmel bir seçimdir.
✅ 2,39Nm tork ve 3000rpm dönüş hızıyla güçlü bir performans sunar.
✅ Enkoderli yapısı sayesinde hassas hareket kontrolü sağlar.
✅ Frenli sistemi ile güvenli pozisyonlama ve duruş sunar.
✅ Hızlı tepki süresi ve dinamik yanıtı sayesinde otomasyon sistemlerinde stabil çalışma sağlar.
✅ Endüstriyel ortamlara uygun, dayanıklı ve uzun ömürlü bir motor yapısına sahiptir.
✅ Delta’nın geniş ürün yelpazesiyle uyumludur, kolay entegrasyon imkanı sunar.
📌 Dikkat: Ürün görselleri temsilidir. Sipariş vermeden önce teknik özellikleri ve uyumluluğu kontrol ediniz.
Delta ECMA-C20807SS ile otomasyon süreçlerinizi hızlandırın, hassasiyet ve güvenliği artırın! 🚀