


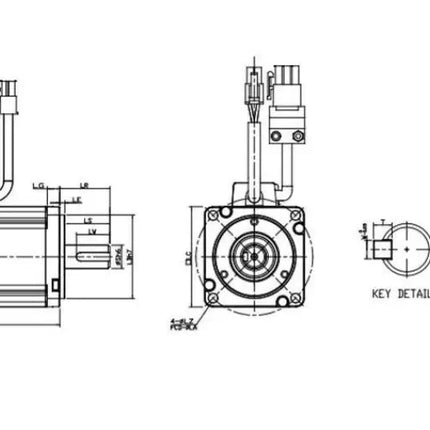
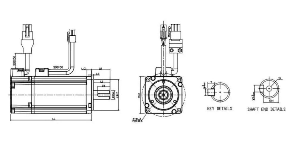
DELTA ECMA-C20604SS – 400W Frenli Servo Motor (1,27Nm, 3000RPM, Artımsal Enkoderli)
Endüstriyel Otomasyon İçin Güçlü ve Hassas Servo Motor Çözümü!
Delta ECMA-C20604SS, yüksek hassasiyet gerektiren endüstriyel otomasyon uygulamaları için geliştirilmiş, 400W gücünde, 1,27Nm tork kapasiteli ve 3000RPM hızında çalışan frenli bir servo motordur. Artımsal enkoder desteği sayesinde konum ve hız geri beslemesi yaparak, sistemlerin stabil ve güvenilir bir şekilde çalışmasını sağlar.
Delta ASD serisi servo sürücülerle tam uyumlu olarak çalışan bu motor, CNC makineleri, robotik sistemler, konveyör hatları, paketleme makineleri, tıbbi cihazlar ve diğer hassas hareket gerektiren uygulamalarda maksimum performans sunar. Dahili fren mekanizması sayesinde, dikey eksen uygulamalarında güvenli bir duruş sağlar ve ani güç kesintilerinde motorun konumunu korur.
Öne Çıkan Özellikler:
🔹 400W Güç Kapasitesi – Kompakt ve Güçlü Performans
Küçük ve orta ölçekli motor uygulamalarında yüksek stabilite ve verimlilik sunar.
🔹 1,27Nm Tork – Hassas ve Güçlü Hareket Kontrolü
Hassas tork yönetimi ile yüksek doğruluk gerektiren uygulamalarda üstün performans sağlar.
🔹 3000RPM Dönüş Hızı – Hızlı ve Verimli Çalışma
Yüksek hız gerektiren sistemlerde stabil ve verimli motor kontrolü sunarak hareket kabiliyetini artırır.
🔹 Dahili Fren Mekanizması – Güvenli Konumlandırma
Dikey eksenli sistemlerde motorun güç kesildiğinde veya durduğunda pozisyonunu korumasını sağlar, güvenli kullanım sunar.
🔹 Artımsal Enkoder (Incremental Encoder) – Hassas Geri Besleme
Motorun konum ve hız verisini yüksek hassasiyetle işleyerek, dinamik hareket kontrolü ve stabilite sağlar.
🔹 Sessiz ve Verimli Çalışma – Düşük Gürültü & Düşük Isınma
Düşük titreşimli yapısı ile sessiz çalışma sağlar ve uzun ömürlü kullanım sunar.
🔹 Delta Servo Sürücülerle Mükemmel Uyumluluk
Delta ASD serisi servo sürücülerle tam uyumlu çalışarak, kolay entegrasyon ve maksimum performans sunar.
🔹 Kompakt Tasarım & Kolay Montaj
Pano içi montaj ve dar alanlarda kullanım için optimize edilmiştir, hızlı kurulum ve yer tasarrufu sağlar.
🔹 Enerji Verimliliği & Uzun Ömürlü Kullanım
Düşük güç tüketimi ile işletme maliyetlerini azaltır, uzun vadeli kullanım için dayanıklıdır.
Neden DELTA ECMA-C20604SS Almalıyım?
✅ 400W gücü ile küçük ve orta ölçekli servo motor uygulamalarında hassas hareket kontrolü sağlar.
✅ 1,27Nm tork kapasitesi ile stabil ve güvenilir bir çalışma sunar.
✅ 3000RPM hız kapasitesi ile hızlı motor kontrolü gerektiren uygulamalar için idealdir.
✅ Dahili fren mekanizması ile dikey eksenli sistemlerde güvenli duruş sağlar.
✅ Artımsal enkoder desteği ile hassas konum ve hız geri besleme sunar.
✅ Düşük titreşim ve sessiz çalışma özelliği sayesinde konforlu kullanım sağlar.
✅ Delta ASD serisi servo sürücülerle mükemmel uyum içinde çalışır.
✅ Kompakt yapısı sayesinde dar alanlarda kolayca monte edilebilir.
✅ Enerji verimliliği ile işletme maliyetlerini düşürerek uzun vadeli kullanım sunar.
📌 Dikkat: Ürün görselleri temsilidir. Satın almadan önce teknik özellikleri ve uyumluluğu kontrol ediniz.
Delta ECMA-C20604SS ile servo motor kontrol süreçlerinizi daha hassas, güçlü ve verimli hale getirin! 🚀