
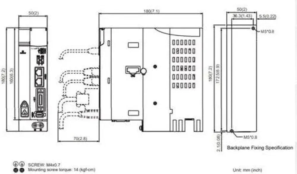
Delta ASD-E3-0721-E – 0.75kW AC Servo Sürücü | Yüksek Hassasiyet & Güçlü Performans
Delta ASD-E3-0721-E, endüstriyel hareket kontrolü için geliştirilmiş, 0.75 kW gücünde yüksek performanslı bir AC servo sürücüdür. 220V çalışma gerilimi, hassas hız ve tork kontrolü, gelişmiş güvenlik özellikleri ve esnek haberleşme seçenekleri sayesinde CNC makineleri, robotik sistemler ve otomasyon çözümleri için mükemmel bir seçimdir.
🛠 Teknik Özellikler
✅ Güç Kapasitesi: 0.75kW (750W) – Kompakt ve güçlü motor sürme yeteneği
✅ Çalışma Gerilimi: 1 Faz / 3 Faz 220V AC – Geniş gerilim desteği ile esnek kullanım
✅ Hassas Kontrol Modları: Tork, Hız ve Pozisyon Kontrolü – Üstün doğruluk ve kararlılık
✅ Entegre PID Kontrolü – Otomatik hata düzeltme ve mükemmel kontrol hassasiyeti
✅ Dinamik Frenleme Sistemi – Hızlı ve güvenli duruş sağlayan gelişmiş fren fonksiyonu
✅ Gelişmiş Haberleşme Desteği: RS-485, Modbus, CANopen, EtherCAT – Endüstriyel otomasyon sistemleriyle kolay entegrasyon
✅ Otomatik Kazanç Ayarı – Gerçek zamanlı yük değişimlerine adaptasyon
📌 Kullanım Alanları
🔹 CNC Tezgahları & Takım Tezgahları – Hassas kesim ve işleme uygulamaları
🔹 Robotik Hareket Sistemleri – Hızlı ve hassas servo kontrolü
🔹 Otomatik Paketleme & Montaj Hatları – Yüksek hızda kararlı performans
🔹 Konveyör ve Transfer Sistemleri – Senkronize ve güvenilir motor yönetimi
🔹 Baskı, Etiketleme ve Gıda Üretim Hatları – Düşük hata payı ile stabil operasyon
🚀 Neden Delta ASD-E3-0721-E?
✔ Yüksek Hassasiyet & Kararlılık – Hız, tork ve pozisyon kontrolünde mükemmel doğruluk sağlar
✔ Gelişmiş Haberleşme Seçenekleri – Endüstriyel otomasyon sistemleriyle kolay entegrasyon
✔ Otomatik Kazanç Ayarı & PID Kontrol – Değişken yükler altında bile stabil performans
✔ Enerji Verimliliği & Düşük Bakım Maliyeti – Uzun ömürlü, dayanıklı ve verimli çalışma
✔ Güçlü Frenleme Sistemi – Anında duruş ve güvenlik mekanizmaları ile donatılmış
Delta ASD-E3-0721-E servo sürücü, hassas ve güvenilir hareket kontrolü gerektiren tüm endüstriyel uygulamalar için mükemmel bir çözümdür. Üretim süreçlerinizi optimize edin, hassasiyet ve verimliliği artırın!
📌 Şimdi sipariş verin ve Delta ASD-E3-0721-E ile hareket kontrolünüzü mükemmelleştirin! ⚙️🔧
📌 Fotoğraflar temsilidir.