
DELTA ASD-E3-0421-L – 400W AC Servo Sürücü | Modbus, Pulse & Analog Desteği
📌 Fotoğraflar temsilidir.
Ürün Açıklaması
DELTA ASD-E3-0421-L, yüksek hassasiyet ve güvenilirlik gerektiren endüstriyel uygulamalar için geliştirilmiş bir 400W AC servo sürücüdür. Modbus, Pulse ve Analog kontrol desteğiyle donatılmış olan bu model, hız, konum ve tork kontrolü için esnek ve güçlü bir çözüm sunar.
Delta’nın ASD-E3 serisine ait bu servo sürücü, daha akıllı hareket kontrolü, düşük gecikme süresi ve gelişmiş dinamik performans sunarak robotik sistemler, CNC makineleri, paketleme ekipmanları ve otomatik üretim hatlarında yüksek performanslı bir kullanım sağlar.
Gelişmiş hareket kontrol algoritmaları sayesinde, hassas ve hızlı tepki veren bir servo sistemi oluşturur. Düşük titreşimli çalışma, yüksek tork stabilitesi ve verimli güç yönetimi ile endüstriyel otomasyon süreçlerinde maksimum verimlilik sağlar.
Teknik Özellikler
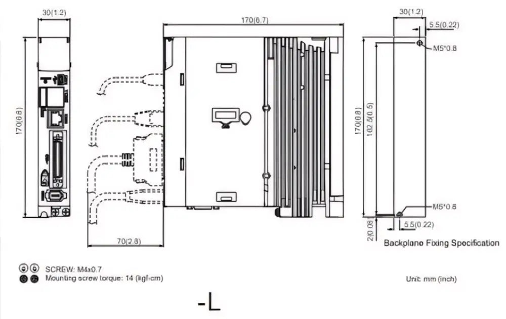
✅ Model: ASD-E3-0421-L
✅ Güç Kapasitesi: 400W
✅ Çalışma Voltajı: 220V AC
✅ Kontrol Modları: Konum, Hız ve Tork Kontrolü
✅ Bağlantı Seçenekleri: Modbus, Pulse, Analog Giriş Desteği
✅ Hız Kontrol Aralığı: 0 - 5000 RPM
✅ Çıkış Akımı: 2.1A (Nominal)
✅ Geri Besleme: 17-bit Yüksek Hassasiyetli Enkoder
✅ Koruma Özellikleri: Aşırı akım, aşırı voltaj, düşük voltaj, kısa devre ve ısınmaya karşı gelişmiş koruma
✅ Montaj Tipi: Panel Tipi Montaj
✅ Çalışma Ortamı: -10°C ~ 50°C
✅ Uygulama Alanları: CNC makineleri, robotik sistemler, otomatik üretim hatları, konveyör sistemleri, baskı makineleri, medikal cihazlar
Neden DELTA ASD-E3-0421-L AC Servo Sürücüyü Tercih Etmelisiniz?
🔹 Yüksek Hassasiyet & Kararlılık: 17-bit enkoder geri beslemesi ile hassas konumlandırma sağlar ve titreşimi minimuma indirir.
🔹 Gelişmiş Kontrol Seçenekleri: Modbus, Pulse ve Analog giriş desteği sayesinde farklı kontrol sistemleriyle uyumlu çalışır.
🔹 Hızlı ve Güçlü Performans: Geniş hız kontrol aralığı (0 - 5000 RPM) ile dinamik hareket kontrolü sağlar.
🔹 Enerji Verimliliği: Güç tüketimini optimize eden akıllı motor sürüş algoritması, gereksiz enerji harcamasını önleyerek uzun vadede maliyet avantajı sağlar.
🔹 Geniş Kullanım Alanı: CNC makineleri, endüstriyel robotlar, otomatik üretim hatları ve konveyör sistemlerinde kullanılabilir.
🔹 Kolay Montaj ve Entegrasyon: Kompakt tasarımı ve esnek bağlantı yapısı, hızlı ve kolay entegrasyon imkanı sunar.
🔹 Gelişmiş Koruma Sistemi: Aşırı akım, aşırı gerilim, düşük voltaj ve kısa devreye karşı koruma özellikleriyle sistem güvenliğini maksimum düzeyde tutar.
Delta ASD-E3-0421-L, güçlü ve hassas servo kontrolü gerektiren uygulamalar için ideal bir çözümdür. Üstün performansı, düşük enerji tüketimi ve esnek bağlantı seçenekleri ile endüstriyel otomasyon süreçlerinizi optimize eder.
📦 Daha fazla bilgi almak ve sipariş vermek için bizimle iletişime geçin!